Меню
0
0
0
Мова
Мова
Russian
Українська
Особистий кабінет
Україна, м. Харків, вул. Данилевського 20.
Наша адреса:
Україна, м. Харків, вул. Данилевського 20.
Час роботи
Час роботи магазину:
Пн.–Пт. 9:00-17:00
Сб. 9:00-15:00
Неділя - вихідний
(050)780-18-85
Наші телефони:
(050)780-18-85
(097)523-41-97
(057)715-71-55
(057)754-81-50
Замовити дзвінок
Список категорій
IНДIКАТОРИ
IНДIКАТОРИ
Iндiкатор LED
Iндiкатор ЖКИ
Iндiкатор ИГД
Iндiкатор ИЖЦ
Iндiкатор ИНС
Iндiкатор неоновий
Iндiкатор СКЛ
Iндикакторна головка
Вимірювач цифровий
Лампа
Патрон
IНСТРУМЕНТ
IНСТРУМЕНТ
Iнструмент
Викрутки
Металовироби
Свердло
АКУСТИЧНI ПРИЛАДИ
АКУСТИЧНI ПРИЛАДИ
Buzer
Гучномовець
Капсуль
Мiкрофон
П'єзовипромінювач
Сирена
ВЕНТИЛЯТОРИ
ВЕНТИЛЯТОРИ
Вентилятор 12В DC
Вентилятор 230AC
Вентилятор 24В DC
Вентилятор 5В DC
Решітка вентилятора
Шнур до вентилятора
ГЕРКОНИ
ГЕРКОНИ
Геркон 14мм
Геркон 28мм
Геркон КЭМ
Геркон МК
ДIНIСТОР
ДIНIСТОР
DB
ДIОДИ
ДIОДИ
150
1N
BAV
BAY
BY
BYD
BYV
BYW
DAF
ES
ESA
FES
FR
HER
HVM
MUR
RF
RHRP
S
SFA
STTH
UF
АА
АИ
ГА
ГД
ГИ
Д
Дiод
ДК
ДР
КА
КВ
КВС
КД
КДС
КН
МД
ДIОДИ ШОТТКI
ДIОДИ ШОТТКI
1N
BAS
BAT
MBR
MBRB
MBRF
SR
SS
Д.Шотткi
КД
ДЖЕРЕЛА ЖИВЛЕННЯ
ДЖЕРЕЛА ЖИВЛЕННЯ
Iонiстор
Акумулятор
Батареї
Блок живлення
Зарядний пристрій
Трансформатор
ДРОСЕЛI
ДРОСЕЛI
Дросель CAF
Дросель DPT
Дросель DPU
Дросель RLB
Дросель SMD
Дросель Д.
Дросель ДП
ЗАПОБIЖНИКИ
ЗАПОБIЖНИКИ
Fuse 3*10мм вивідний
Fuse 4*15мм вивідний
Fuse 5*20мм
Fuse 5*20мм вивідний
Fuse 6*30мм
Fuse 8*4*7мм прямокутний
Fuse 8,5*8мм циліндричний
Fuse для SWH (НВЧ)
ST-1 Брейкер
Авто Mini H=16мм
Запобіжник 5*32мм
Запобіжник N10
Запобіжник ВП
Запобіжник ВП1-1
Запобіжник ВП1-2
Запобіжник для НВЧ-F 6*40мм
Запобіжник ПВ
Запобіжник ПВД
Запобіжник ПК-30
Запобіжник ПК-45
Запобіжник ПР
Запобіжник ПЦ-30
Запобіжник самовідновлюваний
Запобіжник скляний 5*20мм
Термозапобіжник
Тримач запобіжника
КАБЕЛЬНО-ПРОВIДНИКОВА ПРОДУКЦIЯ
КАБЕЛЬНО-ПРОВIДНИКОВА ПРОДУКЦIЯ
Кабель
Провiд
Провiд ШВП
Скоба установча
Стяжка кабельна
Шлейф 24pin
Шлейф AWG28
КВАРЦИ
КВАРЦИ
Кварц
КОНДЕНСАТОРИ
КОНДЕНСАТОРИ
CBB21(металоплівкові поліпропиленові)
CBB6
CBB60
CBB61
CBB65
CBB81
CD60
CL-11 (Плiвкові)
CL-20 (плівкові аксіальні)
CL-21 (Металоплiвкові)
CPS Пусковий та фазосдвигаючий
EAX Аксiальні електролітичні
KSC1010
MKP
MKP4 WIMA
MKS4 WIMA
SMD_електролітичні алюмінієві
SMD_електролітичні танталові
Багатошарова кераміка (MC)
БМТ-2
Дисковий
Електролітичні радіальні
К10-17а
К10-17б
К10-17в
К10-19
К10-62
К10-7В
К10У-5
К15-5
К22-5
К22У-1Б
К31-11
К42-3У
К42У-2
К50-16
К50-20
К50-24
К50-27
К50-29
К50-38
К50-6
К52-1
К53-1
К53-14
К53-18
К53-19
К53-21
К53-4
К53-4А
К53-53
К71-7
К73-11
К73-16
К73-17
К73-24
К73-45-2-2
К73-9
К75-10
К75-61
К78-2
КД1
КДО-2
Керамічний SMD 0603
Керамічний SMD 0805
Керамічний SMD 1206
КМ3г
КМ5б
КМ6б
КПК-МН
КТ1
МБГО-2
МБГП-1
МБМ
Протизавадний Class X2
Тример
КОРПУСА
КОРПУСА
Відсік батарейний.
Кабельний ввод
Коробка
Корпус
Корпус ABS
Корпус KM
Корпус P
Корпус Z
Нiжка до корпусу
Ручка до резистору
МIКРОCХЕМИ
МIКРОCХЕМИ
1111
1117
1127
114
129
142
143
1526
153
1533
154
175
202
217
228
235
286
40
45
526
529
564
580
587
590
701
74
74 AC
74 ACT
74 ALS
74 C
74 HC
74 HCT
74 LS
74 LVC
74HC(1564)
78
79
A
AD
ADM
AN
AP
ATmega
ATMEL
ATtiny
AXP
BA
BT
BTS
BU
C
CA
CDP
CE
CP
CS
CSG
CX
CXA
CXD
CXK
D3
DBL
DH
DK
DS
ESM
FAN
FLASH
GM
HA
HCPL
HD
HIS
HM
ICL
ICPA
IL
ILD
INA
IR
IRS
IX
KA
KIA
KS
KTY
L
LA
LAG
LB
LC
LD
LF
LM
LME
LNK
LP
LS
LT
M
MA
MAA
MAX
MB
MC
MCP
MEMORY
MN
NCP
NE
NJM
NSC
OB
OCP
OEC
OP
OPA
PAM
PCF
PIC
PST
S1A
SAA
SE
SG
ST
STA
STK
STM
STR
STRD
STRF
STRG
STRM
STRS
STRW
STV
SX
TA
TBA
TBA
TC
TCA
TDA
TDE
TEA
THX
TL
TLC
TLE
TNY
TOP
TP
TVPO
U
UA
UC
UDN
ULN
UM
uPC
VIPER
VN
Z
Інші
Б1620
К04
К100
К1002
К1005
К1006
К101
К1010
К1015
К1016
К1017
К1021
К1033
К1039
К1051
К1057
К106
К1064
К1074
К1075
К1085
К1087
К1102
К1103
К1106
К1107
К1109
К1113
К1118
К1124
К1128
К118
К130
К131
К133
К136
К140
К1400
К1401
К1407
К1408
К1417
К1426
К1435
К144
К145
К1508
К1531
К155
К1554
К1561
К1564
К1568
К157
К158
К161
К166
К168
К170
К172
К174
К176
К1802
К1804
К1814
К1816
К1818
К1830
К1834
К185
К186
К188
К193
К198
К224
К237
К249
К275
К284
К490
К500
К505
К511
К512
К514
К523
К525
К527
К533
К537
К542
К543
К544
К547
К548
К551
К553
К554
К555
К556
К561
К563
К571
К572
К573
К574
К588
К589
К591
К593
К594
К596
К599
К744
КА1035
КА1045
КР1008
КР1012
КР1022
КР1072
КР1091
КР1100
КР1127
КР1146
КР1152
КР1157
КР1162
КР1168
КР1171
КР1179
КР1182
КР1184
КР127
КР132
КР142
КР1446
КР1533
КР1554
КР1556
КР1568
КР159
КР1594
КР1628
КР1801
КР1810
КР1820
КР1823
КР293
КР504
КР531
КР558
КР559
КР580
КР581
КР590
КР597
КС1054
КФ1032
Логiка
М001
УМС
МАТЕРIАЛИ
МАТЕРIАЛИ
Iзоляційні матеріали
Обв'язка
Пакет
Припiй
Склотекстоліт
Стрiчка для розпаювання (демонтажу)
Теплопровідні матеріали
Термоусадочна трубка
Флюс
Хiмiчна продукція
МОСТИ
МОСТИ
BR
DB
DF
GBJ
KBL
KBPC
KBU
MB
MBS
RB
RS
W
КЦ
Мiст 3-хфазний
ОПТОПРИЛАДИ
ОПТОПРИЛАДИ
4N
6N
CNY
GP
H
LTV
MCT
MOC
PC
SFH
TCDT
TCRT оптопара
TLP
TSMF ІЧ-передавач
TSOP ІЧ-приймач
АЛС
АОД
АОТ
АОУ
Лазер
Оптопара
ФД фотодіод
ПАНЕЛI
ПАНЕЛI
Панель DIP
Панель PLCC
Панель ZIF
Панель лампова
Панель цангова
ПАЯЛЬНЕ ОБЛАДНАННЯ
ПАЯЛЬНЕ ОБЛАДНАННЯ
Жало до паяльника
Паяльна станція
Паяльник
ПЕРЕМИКАЧI
ПЕРЕМИКАЧI
Кнопка нажимна
Кнопка тактова
Перемикач
Перемикач ВК
Перемикач галетний
Перемикач движковий
Перемикач КЕ
Перемикач кодуючий
Перемикач МИ
Перемикач МП
Перемикач натискний
Перемикач П2К
Тумблер
Тумблер1
ПЛАТИ
ПЛАТИ
Arduino
Плата макетна (під пайку)
Плата макетна контактна (без пайки)
ПРИЛАДИ
ПРИЛАДИ
Прилад
Пробник
РIЗНЕ
РIЗНЕ
Інше
Автомат захисту
Вимикач автоматичний
Датчик
Двигун
Лiхтар
Лiчильник
Перетворювач
Принтерна стрічка
Радiатор
Розрядник
Телезапчасть
Фiльтр
РАДIО ЛАМПИ
РАДIО ЛАМПИ
Радiолампа
РЕЗИСТОРИ 0,125 Вт
РЕЗИСТОРИ 0,125 Вт
0,125Вт 5%
РЕЗИСТОРИ 0,25 Вт
РЕЗИСТОРИ 0,25 Вт
0,25 W 5%
0,25 Вт 5%
0,25W 1%
РЕЗИСТОРИ 0,5 Вт
РЕЗИСТОРИ 0,5 Вт
0,5 W 5%
0,5 Вт 5%
РЕЗИСТОРИ 1 Вт
РЕЗИСТОРИ 1 Вт
1 W 5%
1 Вт 5%
РЕЗИСТОРИ 2 Вт
РЕЗИСТОРИ 2 Вт
2 W 5%
2 Вт 5%
РЕЗИСТОРИ 3 Вт
РЕЗИСТОРИ 3 Вт
3 Вт
РЕЗИСТОРИ 5 Вт
РЕЗИСТОРИ 5 Вт
5 Вт
Series K 5W
РЕЗИСТОРИ 7,5 Вт i бiльше
РЕЗИСТОРИ 7,5 Вт i бiльше
10 Вт
100 Вт
150 Вт
16 Вт
20 Вт
25 Вт
30 Вт
50 Вт
7,5 Вт
75 Вт
8 Вт
GX 7W
Series K 10W
SH_10W
SH_50W
РЕЗИСТОРИ SMD
РЕЗИСТОРИ SMD
SMD_0402
SMD_0603
SMD_0805
SMD_1206
РЕЗИСТОРИ ЗМIННI
РЕЗИСТОРИ ЗМIННI
3006-p
3266-w (аналог СП5-2)
3296-p (аналог СП5-2ВА)
3296-w (аналог СП5-2ВБ)
3296-x
3329-x
3362-p (аналог СП5-16)
3590S
CA9M
HELIPOT
R-0901N
R-0931
R-1611
R-1620
R-1711
R16 B
R16-4S
RM-063
RM-065
SH-083
TP-190-TES
WTH118-1A
WXD3
Варiстор
Енкодер
Позистор
ПП2-11
ППБ-1
ППБ-50
РП1-63гМ
СП-04
СП-I-1Вт
СП-II-1Вт
СП-II-2Вт
СП2-2-0,5
СП3-16а
СП3-19а 0,5Вт
СП3-19б 0,5Вт
СП3-1б
СП3-23
СП3-27
СП3-28
СП3-28_smd
СП3-29
СП3-3
СП3-30к
СП3-33
СП3-36
СП3-37
СП3-38А
СП3-38Б
СП3-38В
СП3-38Г
СП3-39А
СП3-39НА
СП3-4
СП3-45А
СП3-9а-0,5
СП3-9б-0,5
СП4-1-0,25
СП4-1-0,5В
СП4-2М-1Вт
СП5-16ВВ
СП5-2
СП5-22-1Вт
СП5-50МА
СП_3323-p
СП_3329-h
СПОСЕ-0,5
РЕЗИСТОРИ ПРЕЦИЗIЙНI
РЕЗИСТОРИ ПРЕЦИЗIЙНI
0,062Вт Прецизійні
0,125Вт Прецизійні
0,25 Вт Прецизійні
0,5 Вт Прецизійні
1 Вт Прецизійні
2 Вт Прецизійні
РЕЗИСТОРНI ВИРОБИ
РЕЗИСТОРНI ВИРОБИ
Резисторна збiрка
Резисторна матриця
Фоторезистор
РЕЛЕ
РЕЛЕ
Колодка під реле
Контактор
Пускач
Реле
Реле вітчизняні
Твердотільне реле
РОЗ'ЄМИ
РОЗ'ЄМИ
DIN_41612
IDC 1,27мм
micro_USB
mini_USB
N_Роз'єм
Type-C
WAGO
Гнiздо
Жив.5,08мм
Живлення (MPX, XT, MT)
Затискач "Крокодил"
Клеммник
Колодка
Наконечник
Перехiдник
Роз'єм
Роз'єм 2РМ
Роз'єм BL
Роз'єм BNC
Роз'єм D-SUB
Роз'єм HDMI
Роз'єм IDC
Роз'єм ISO
Роз'єм MLX
Роз'єм SMA
Роз'єм UHF
Роз'єм USB
Роз'єм ГРП
Роз'єм живлення 1,25мм
Роз'єм живлення 2,0мм
Роз'єм живлення 2,54мм
Роз'єм живлення 3,96мм
Роз'єм живлення TH
Роз'єм круглий "кабель-кабель"
Роз'єм МР
Роз'єм МРН
Роз'єм ОНП
Роз'єм ОНЦ
Роз'єм РГ
Роз'єм РП
Роз'єм РП10
Роз'єм РП14
Роз'єм РП15
Роз'єм РПМ
Роз'єм РС
Роз'єм РШ
Роз'єм РША
Роз'єм СМН
Роз'єм СНО
Роз'єм СНП
Роз'єм СНП101
Роз'єм СР-50
Роз'єм СР-75
Роз'єм ТNС
Роз'єм ШК
Роз'єм ШР
Роз'єм штирьовий
Роз'єм_F
Роз'єм_RJ (телефонний, компьютерний)
Роз'єм_TV
Роз'ємРПММ
Роз. 0.5мм
Роз. 1.0мм
Роз\'єм РРС
Розгалуджувач антенний
Телефоннi
Штекер
СВIТЛОДIОДИ
СВIТЛОДIОДИ
Світлодіод "Пиранья"
Світлодіод 1,5мм
Світлодіод 10мм
Світлодіод 1W,3W
Світлодіод 3мм
Світлодіод 5мм
Світлодіод 8мм
Світлодіод SMD_0805
Світлодіод SMD_1206
Світлодіод SMD_3528
Світлодіод SMD_3533
Світлодіод SMD_5050
Світлодіод SMD_5730
Світлодіод SMD_7030
Світлодіод АЛ
Світлодіод блимаючий
Світлодіоди iншi
Тримач світлодіода
СВIТЛОДIОДНI ВИРОБИ
СВIТЛОДIОДНI ВИРОБИ
Світлодіодна автолампа
Світлодіодна лiнійка
Світлодіодна лампа
Світлодіодна матриця
Світлодіодна стрічка
Світлодіодний контролер
Світлодіодний профіль
СЕРДЕЧНИКИ
СЕРДЕЧНИКИ
Ферити
СИЛОВI ПРИЛАДИ
СИЛОВI ПРИЛАДИ
В
Д112
Д122
Д133
Д141
Д143
Д151
Д171
Д253
Д271
ДЛ122
ДЛ123
ДЛ153
ДЛ161
ДЛ171
ДЧ143
ДЧ151
ДЧ161
ДЧ251
Т
ТЛ
ТО
ТС
ТСО
ТЧ
СТАБIЛIТРОНИ
СТАБIЛIТРОНИ
1N
BZT
BZV85
BZX
R
Д
КС
СУПРЕСОРИ
СУПРЕСОРИ
1,5
P6
Transil
ТЕРМОЕЛЕМЕНТИ
ТЕРМОЕЛЕМЕНТИ
Термоелемент
Терморезистор
Термостат
ТИРИСТОРИ
ТИРИСТОРИ
2N
BT
BTA
BTB
BTW
MAC
MCR
КУ
ТРАНЗИСТОРИ
ТРАНЗИСТОРИ
100N
10N
10NK
13NM
15N
23N
24N
25N
27N
2N
2N
2SA
2SB
2SC
2SD
2SJ
2SK
2T
30N
3N
3NK
40N
47N
4N
4NK
50N
55N
5N
5NK
60N
6N
6NK
70N
75N
80N
80NF
AO
AP
BC
BCW
BCX
BD
BDV
BDW
BDX
BF
BFG
BFP
BFR
BSS
BU
BUH
BUK
BUT
BUV
BUW
BUX
BUZ
CC
FDD
FQPF
H20
HM
IGP
IRF
IRF9Z
IRFB
IRFBA
IRFBC
IRFBG
IRFD
IRFL
IRFP
IRFPE
IRFPF
IRFR
IRFU
IRFZ
IRG
IRGP
IRGS
IRL
IRLB
IRLML
IRLR
IRLZ
KU
MJ
MJE
MPSA
NJW
S
SF
SI
SS
STGW
SU
TEMT
TIC
TIP
А
ГТ
КП
КТ
МП
П
ТКД152
ФТ
ШНУРИ
ШНУРИ
Подовжувач
Шнур
0
0
0
0.00 грн.
ТРАНЗИСТОРИ
ГТ
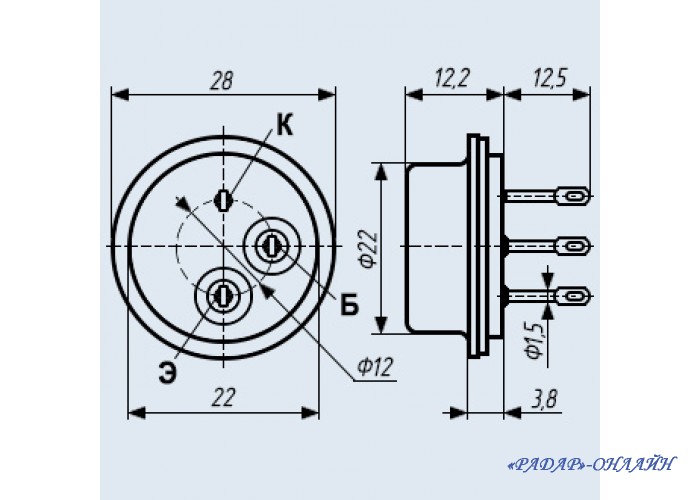
Транзистор 1Т 806В /КТЮ-3-20/
Транзистор 1Т 806В /КТЮ-3-20/
Наявність:
7
Модель: 03-055410
Відгуки:
(0)
Огляд товару
Відгуків (0)
.
Транзистор 1Т 806В
,
ГТ
Купити в один клік
Купити
38.00 грн.
Кількість:
-
+
В закладки
порівняння
До кошика
Швидке замовлення
Відгуків
0
0
/ 5
середній рейтинг товара
Написати відгук
Написати відгук
Транзистор 1Т 806В /КТЮ-3-20/
Оцінка
Примітка:
HTML розмітка не підтримується! Використовуйте звичайний текст.
Відправити відгук
0
0
0
0
0
Немає відгуків про цей товар.