Меню
0
0
0
Мова
Мова
Russian
Українська
Особистий кабінет
Україна, м. Харків, вул. Данилевського 20.
Наша адреса:
Україна, м. Харків, вул. Данилевського 20.
Час роботи
Час роботи магазину:
Пн.–Пт. 9:00-17:00
Сб. 9:00-15:00
Неділя - вихідний
(050)780-18-85
Наші телефони:
(050)780-18-85
(097)523-41-97
(057)715-71-55
(057)754-81-50
Замовити дзвінок
Список категорій
МIКРОCХЕМИ
МIКРОCХЕМИ
C
40
45
74
74 AC
74 ACT
74 ALS
74 C
74 HC
74 HCT
74 LS
74 LVC
1117
78
79
A
MEMORY
FLASH
К1830
ATmega
ATtiny
AD
ADM
AN
AP
AXP
BA
BTS
CA
CDP
CE
CS
CP
CSG
CX
CXA
CXD
CXK
D3
DBL
DH
DK
DS
ESM
FAN
GM
HA
HCPL
HD
HIS
HM
ICL
ICPA
IL
ILD
INA
IR
IRS
IX
KA
KIA
KS
KTY
L
LA
LAG
LB
LC
LD
LF
LM
LME
LNK
LP
LS
LT
M
MAA
MAX
MC
MCP
MN
NCP
NE
NJM
NSC
OB
OEC
OP
OPA
PAM
PCF
PIC
S1A
SAA
SE
SG
ST
STA
STK
STM
STR
STRD
STRF
STRM
STRG
STRS
STRW
STV
SX
TA
TBA
TC
TCA
TDA
TDE
TEA
THX
TL
TLC
TLE
TNY
TOP
TP
TVPO
U
UA
UC
UDN
ULN
UM
VIPER
VN
uPC
114
К118
КР127
129
К131
КР132
ATMEL
К140
КР142
142
К145
154
К155
К157
К158
КР159
К161
К170
К174
К176
К186
К188
К193
К198
202
217
К224
228
235
К237
К249
К284
КР293
К500
КР504
К511
К512
К514
К523
КР531
К537
К543
К544
К547
К548
К551
К553
К554
К555
К556
КР559
К561
К571
К572
К573
К574
580
КР580
КР581
К588
К589
КР590
К593
КР597
К599
К1002
К1005
К1006
КР1008
К1010
К1021
КР1022
К1033
К1039
КА1045
К1051
КС1054
К1064
К1075
К1087
КР1100
К1102
К1107
К1109
1111
К1113
К1118
1127
КР1146
КР1157
КР1162
КР1168
КР1171
КР1179
КР1184
К1401
К1407
К1408
К1426
К1435
К1531
КР1533
1533
К1554
КР1554
КР1556
К1561
74HC(1564)
К1564
К1568
Б1620
КР1628
КР1801
К1804
КР1810
К1814
К1816
К1818
КР1820
КР1823
К1834
К04
Логiка
М001
УМС
Інші
BU
BT
ТРАНЗИСТОРИ
ТРАНЗИСТОРИ
2N
AP
HM
2SA
2SB
2SC
2SD
2SJ
2SK
2T
AO
BC
BCW
BCX
BD
BDV
BDW
BDX
BF
BFG
BFP
BFR
BSS
BU
BUH
BUK
BUT
BUV
BUW
BUZ
BUX
CC
FDD
H20
IGP
IRF
IRFB
IRFBA
IRFBC
IRFBG
IRFD
IRFL
IRFP
IRFPE
IRFPF
IRFR
IRFU
IRFZ
IRF9Z
IRG
IRGP
IRGS
IRL
IRLB
IRLML
IRLR
IRLZ
KU
MJ
MJE
MPSA
NJW
3N
3NK
4NK
5N
5NK
10N
6NK
10NK
13NM
15N
23N
24N
25N
27N
30N
40N
47N
50N
55N
60N
70N
75N
80N
80NF
100N
SU
TIP
FQPF
TEMT
А
ГТ
КП
КТ
МП
П
ТКД152
ФТ
4N
6N
SF
SS
2N
СВIТЛОДIОДИ
СВIТЛОДIОДИ
Тримач світлодіода
Світлодіод SMD_3528
Світлодіод SMD_5050
Світлодіод SMD_5730
Світлодіод SMD_0805
Світлодіод SMD_1206
Світлодіод АЛ
Світлодіод 3мм
Світлодіод 5мм
Світлодіод 8мм
Світлодіод 10мм
Світлодіод блимаючий
Світлодіод "Пиранья"
Світлодіод 1W,3W
Світлодіоди iншi
СВIТЛОДIОДНI ВИРОБИ
СВIТЛОДIОДНI ВИРОБИ
Світлодіодна стрічка
Світлодіодний контролер
Світлодіодна лiнійка
Світлодіодна матриця
Світлодіодна автолампа
Світлодіодна лампа
Світлодіодний профіль
ОПТОПРИЛАДИ
ОПТОПРИЛАДИ
АЛС
Лазер
4N
6N
CNY
H
LTV
MCT
MOC
PC
TCDT
TLP
АОД
АОТ
АОУ
Оптопара
TCRT оптопара
GP
SFH
TSMF ІЧ-передавач
TSOP ІЧ-приймач
ФД фотодіод
ДIОДИ
ДIОДИ
150
FES
STTH
S
BAV
BAY
BY
BYD
BYV
BYW
DAF
ES
ESA
FR
HER
HVM
MUR
RF
RHRP
SF
SFA
UF
Дiод
АИ
ДК
ДР
МД
КА
КВ
КВС
КД
КДС
КН
1N
Д
ДIОДИ ШОТТКI
ДIОДИ ШОТТКI
КД
Д.Шотткi
BAS
BAT
MBR
MBRB
MBRF
SR
SS
1N
ДIНIСТОР
ДIНIСТОР
DB
МОСТИ
МОСТИ
BR
DB
DF
GBJ
KBL
KBPC
KBU
MB
RB
RS
W
Мiст 3-хфазний
КЦ
СТАБIЛIТРОНИ
СТАБIЛIТРОНИ
1N
BZT
BZV85
BZX
R
Д
КС
СУПРЕСОРИ
СУПРЕСОРИ
1,5
Transil
P6
ТИРИСТОРИ
ТИРИСТОРИ
2N
BT
BTA
BTB
BTW
MAC
MCR
КУ
СИЛОВI ПРИЛАДИ
СИЛОВI ПРИЛАДИ
В
Д112
Д122
ДЧ251
Т
ТО
ТС
КОНДЕНСАТОРИ
КОНДЕНСАТОРИ
К10-17а
К10-17б
К10-17в
Багатошарова кераміка (MC)
Керамічний SMD 0603
Керамічний SMD 0805
Керамічний SMD 1206
К10-19
К10-62
К10-7В
К10У-5
К22-5
К22У-1Б
КД1
Дисковий
КДО-2
КМ3г
КМ6б
КТ1
К31-11
К42У-2
К42-3У
К50-16
К50-24
К50-27
К50-29
EAX Аксiальні електролітичні
SMD_електролітичні танталові
SMD_електролітичні алюмінієві
Електролітичні радіальні
К50-38
К52-1
К53-4
К53-4А
К53-14
К53-18
К53-19
К53-21
К53-53
К71-7
К73-9
KSC1010
К73-11
CL-20 (плівкові аксіальні)
К73-16
CL-11 (Плiвкові)
К73-17
CL-21 (Металоплiвкові)
CBB21(металоплівкові поліпропиленові)
MKP4 WIMA
К73-24
К73-45-2-2
К75-10
К75-61
К78-2
CBB81
MKP
CPS Пусковий та фазосдвигаючий
CBB60
CBB61
CBB65
CD60
КПК-МН
Тример
МБГО-2
МБГП-1
МБМ
Протизавадний Class X2
РЕЗИСТОРИ 0,125 Вт
РЕЗИСТОРИ 0,125 Вт
0,125Вт 5%
РЕЗИСТОРИ 0,25 Вт
РЕЗИСТОРИ 0,25 Вт
0,25 W 5%
0,25W 1%
0,25 Вт 5%
РЕЗИСТОРИ 0,5 Вт
РЕЗИСТОРИ 0,5 Вт
0,5 W 5%
0,5 Вт 5%
РЕЗИСТОРИ 1 Вт
РЕЗИСТОРИ 1 Вт
1 W 5%
1 Вт 5%
РЕЗИСТОРИ 2 Вт
РЕЗИСТОРИ 2 Вт
2 W 5%
2 Вт 5%
РЕЗИСТОРИ 3 Вт
РЕЗИСТОРИ 3 Вт
3 Вт
РЕЗИСТОРИ SMD
РЕЗИСТОРИ SMD
SMD_0402
SMD_0603
SMD_0805
SMD_1206
РЕЗИСТОРИ ПРЕЦИЗIЙНI
РЕЗИСТОРИ ПРЕЦИЗIЙНI
0,062Вт Прецизійні
0,125Вт Прецизійні
0,25 Вт Прецизійні
0,5 Вт Прецизійні
1 Вт Прецизійні
2 Вт Прецизійні
РЕЗИСТОРИ 5 Вт
РЕЗИСТОРИ 5 Вт
Series K 5W
5 Вт
РЕЗИСТОРИ 7,5 Вт i бiльше
РЕЗИСТОРИ 7,5 Вт i бiльше
7,5 Вт
8 Вт
SH_10W
Series K 10W
10 Вт
16 Вт
20 Вт
25 Вт
30 Вт
SH_50W
50 Вт
100 Вт
РЕЗИСТОРИ ЗМIННI
РЕЗИСТОРИ ЗМIННI
ППБ-1
ППБ-50
РП1-63гМ
СПОСЕ-0,5
СП-II-1Вт
СП-II-2Вт
СП2-2-0,5
СП3-1б
СП3-3
R-1611
R-1620
R-1711
СП3-4
СП3-9а-0,5
СП3-16а
СП_3323-p
СП_3329-h
СП3-19а 0,5Вт
3329-x
СП3-19б 0,5Вт
СП3-23
СП3-27
СП3-28_smd
СП3-28
СП3-29
СП3-33
R-0901N
R-0931
СП3-37
RM-063
SH-083
СП3-38А
RM-065
СП3-38Б
СП3-38В
СП3-38Г
СП3-39А
СП3-39НА
СП3-45А
TP-190-TES
СП4-1-0,25
СП4-1-0,5В
СП4-2М-1Вт
CA9M
3266-w (аналог СП5-2)
3296-p (аналог СП5-2ВА)
3296-w (аналог СП5-2ВБ)
3296-x
3362-p (аналог СП5-16)
HELIPOT
3006-p
3590S
СП5-50МА
WTH118-1A
WXD3
Енкодер
Варистор СН
Варистор Ø 5мм
Варистор Ø 7мм
Варистор Ø 10мм
Варистор Ø 14мм
Варистор Ø 20мм
Позистор
РЕЗИСТОРНI ВИРОБИ
РЕЗИСТОРНI ВИРОБИ
Фоторезистор
Резисторна збiрка
Резисторна матриця
ТЕРМОЕЛЕМЕНТИ
ТЕРМОЕЛЕМЕНТИ
Термоелемент
Термостат
Терморезистор
ДРОСЕЛI
ДРОСЕЛI
Дросель SMD
Дросель CAF
Дросель ДП
ЗАПОБIЖНИКИ
ЗАПОБIЖНИКИ
Тримач запобіжника
Fuse 8*4*7мм прямокутний
Fuse 8,5*8мм циліндричний
Fuse 3*10мм вивідний
Запобіжник ВП1-1
Запобіжник ВП1-2
Fuse 4*15мм вивідний
Запобіжник скляний 5*20мм
Fuse 5*20мм
Fuse 5*20мм вивідний
Fuse 6*30мм
Fuse для SWH (НВЧ)
Запобіжник для НВЧ-F 6*40мм
Авто Mini H=16мм
Запобіжник ВП
Запобіжник ПК-30
Запобіжник ПК-45
Запобіжник ПЦ-30
Запобіжник 5*32мм
Запобіжник ПВД
Запобіжник самовідновлюваний
Термозапобіжник
ST-1 Брейкер
ГЕРКОНИ
ГЕРКОНИ
Геркон КЭМ
Геркон МК
Геркон 14мм
Геркон 28мм
АКУСТИЧНI ПРИЛАДИ
АКУСТИЧНI ПРИЛАДИ
Гучномовець
Капсуль
Мiкрофон
Сирена
П'єзовипромінювач
Buzer
РАДIО ЛАМПИ
РАДIО ЛАМПИ
Радiолампа
IНДIКАТОРИ
IНДIКАТОРИ
Iндiкатор LED
Iндiкатор неоновий
Iндiкатор СКЛ
Iндiкатор ЖКИ
Iндикакторна головка
Вимірювач цифровий
Лампа
Патрон
КВАРЦИ
КВАРЦИ
Кварц
СЕРДЕЧНИКИ
СЕРДЕЧНИКИ
Ферити
ПАНЕЛI
ПАНЕЛI
Панель ZIF
Панель DIP
Панель PLCC
Панель цангова
Панель лампова
КАБЕЛЬНО-ПРОВIДНИКОВА ПРОДУКЦIЯ
КАБЕЛЬНО-ПРОВIДНИКОВА ПРОДУКЦIЯ
Кабель
Провiд
Провiд ШВП
Шлейф AWG28
Скоба установча
Стяжка кабельна
КОРПУСА
КОРПУСА
Коробка
Корпус
Корпус P
Корпус ABS
Корпус KM
Корпус Z
Нiжка до корпусу
Кабельний ввод
Ручка до резистору
Відсік батарейний.
ПЕРЕМИКАЧI
ПЕРЕМИКАЧI
Тумблер
Перемикач галетний
Перемикач
Перемикач натискний
Перемикач движковий
Перемикач ВК
Кнопка нажимна
Перемикач МИ
Перемикач МП
Перемикач П2К
Кнопка тактова
Тумблер1
РОЗ'ЄМИ
РОЗ'ЄМИ
Гнiздо
Штекер
Перехiдник
Роз'єм USB
micro_USB
mini_USB
Type-C
Живлення (MPX, XT, MT)
Роз'єм
Колодка
Затискач "Крокодил"
Клеммник
Наконечник
IDC 1,27мм
Роз'єм IDC
Роз. 0.5мм
Роз. 1.0мм
Роз'єм ISO
Роз'єм BL
DIN_41612
Роз'єм штирьовий
Роз'єм живлення 1,25мм
Роз'єм живлення 2,0мм
Роз'єм живлення 2,54мм
Роз'єм живлення 3,96мм
Роз'єм живлення TH
Роз'єм MLX
WAGO
Роз'єм 2РМ
Роз'єм ГРП
Роз'єм МР
Роз'єм МРН
Роз'єм ОНП
Роз'єм ОНЦ
Роз'єм РГ
Роз'єм РП
Роз'єм РП10
Роз'єм РП14
Роз'єм РП15
Роз'єм РПМ
Роз'єм РС
Роз'єм РША
Роз'єм СНО
Роз'єм СНП101
Роз'єм D-SUB
Роз'єм СНП
Розгалуджувач антенний
Роз'єм BNC
Роз'єм_TV
Роз'єм_F
Роз'єм HDMI
N_Роз'єм
Роз'єм SMA
Роз'єм UHF
Роз'єм ТNС
Роз'єм СР-50
Роз'єм СР-75
Роз'єм ШК
Роз'єм ШР
Роз'єм круглий "кабель-кабель"
Телефоннi
Роз'єм_RJ (телефонний, компьютерний)
РЕЛЕ
РЕЛЕ
Колодка під реле
Реле
Реле, модуль
Контактор
Реле вітчизняні
Твердотільне реле
ДЖЕРЕЛА ЖИВЛЕННЯ, ПЕРЕТВОРЮВАЧІ
ДЖЕРЕЛА ЖИВЛЕННЯ, ПЕРЕТВОРЮВАЧІ
Модуль контролю заряду (BMS)
Трансформатор
Акумулятор
Модуль зарядного присторою
Зарядний пристрій
Батареї
Iонiстор
Блок живлення
DC / DC перетворювачі, підвищуючі
DC / DC перетворювачі, понижуючі
DC / DC перетворювачі, універсальні
ПЛАТИ
ПЛАТИ
Плата макетна контактна (без пайки)
Плата макетна (під пайку)
Arduino
ВЕНТИЛЯТОРИ
ВЕНТИЛЯТОРИ
Решітка вентилятора
Шнур до вентилятора
Вентилятор 5В DC
Вентилятор 12В DC
Вентилятор 24В DC
Вентилятор 230AC
IНСТРУМЕНТ
IНСТРУМЕНТ
Iнструмент
Викрутки
Металовироби
ПАЯЛЬНЕ ОБЛАДНАННЯ
ПАЯЛЬНЕ ОБЛАДНАННЯ
Жало до паяльника
Паяльник
Паяльна станція
ПРИЛАДИ
ПРИЛАДИ
Прилад
Пробник
МАТЕРIАЛИ
МАТЕРIАЛИ
Iзоляційні матеріали
Стрiчка для розпаювання (демонтажу)
Припiй
Флюс
Теплопровідні матеріали
Хiмiчна продукція
Склотекстоліт
Пакет
Обв'язка
Термоусадочна трубка
ШНУРИ
ШНУРИ
Шнур
Подовжувач
РIЗНЕ
РIЗНЕ
Датчик
Двигун
Принтерна стрічка
Радiатор
Розрядник
Лiчильник
Лінія затримки
Фiльтр
Лiхтар
Інше
0
0
0
0.00 грн.
ТРАНЗИСТОРИ
ГТ
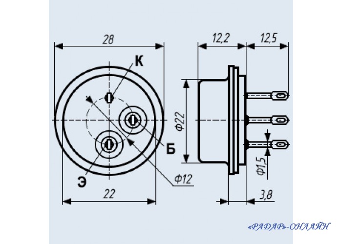
Транзистор 1Т 806Б /КТЮ-3-20/
Транзистор 1Т 806Б /КТЮ-3-20/
Наявність:
16
Модель: 03-055390
Відгуки:
(0)
Огляд товару
Відгуків (0)
Схожі товари
.
Транзистор 1Т 806Б /КТЮ-3-20/
,
ГТ
Купити в один клік
Купити
38.00 грн.
Кількість:
-
+
В закладки
порівняння
До кошика
Швидке замовлення
Відгуків
0
0
/ 5
середній рейтинг товара
Написати відгук
Написати відгук
Транзистор 1Т 806Б /КТЮ-3-20/
Оцінка
Примітка:
HTML розмітка не підтримується! Використовуйте звичайний текст.
Відправити відгук
0
0
0
0
0
Немає відгуків про цей товар.
Рекомендовані товари
0
Транзистор ГТ 806Б
0.00 грн.
До кошика